Lautsprecherbau Grundlagen der Elektrotechnik Verstärkergrundlagen

Aufbau einer einfachen Leistungsendstufe

Dr.-Ing. Peter Strassacker
Email: peter@lautsprechershop.de
 
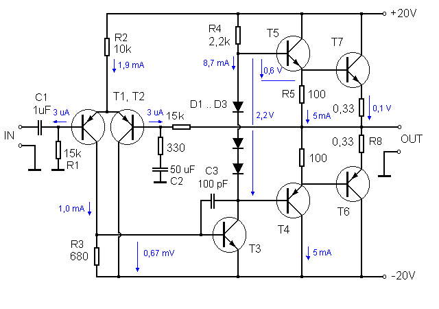
Nun werden alle bisher gewonnenen Erkenntnisse in die Schaltung eingebracht. Die unten abgebildete Leistungsendstufe (ohne Netzteil) wurde in 4 Teile unterteilt:
- der Differenzeingang mit den Transistoren T1 und T2
- der Gegenkopplung mit 15 k und 330 Ω,
  die eine Verstärkung von V = (15k + 0,33k) / 0,33k = 46
  bei höheren Frequenzen (wo C einen Kurzschluss macht) erzeugt.
- die Stufe mit Transistor T3, die die Spannungsverstärkung macht
- die Strom- oder Leistungsverstärkung mit T4,T5,T6 und T7
 

Dimensionierung einer einfachen Leistungsendstufe

Wie wird eine derartige Schaltung dimensioniert? Das wollen wir Ihnen nachfolgend zeigen:

Gehen wir von links nach rechts vor:

Der Eingangskondensator C1 soll so bemessen sein, dass der Verstärker ab 20 Hz überträgt. Mit einem Kondensator von 1 uF erhalten wir bei 20 Hz einen Scheinwiderstand Z = 1/ωC = 1/(2*π*20Hz*C) = 8 kΩ (mit ω = Kreisfrequenz = 2*π*f) - Gegenüber dem 15 kΩ Basiswiderstand (wozu die BE-Strecke von T1 parallel liegt, deren Impedanz auch in dieser Größenordnung liegt: β*UT/IC+β*RE) ist dies ein guter Wert.

Der Emitterwiderstand R2 stellt den Strom der Transistoren ein. An ihm liegen knapp 20V (genauer: Versorgungsspannung 20V - Basis-Emitter-Spannung von T1 - Spannung an R1). Wir wählen einen Strom von je 1 mA pro Transistor, für beide Transistoren T1 und T2 also 2mA insgesamt, womit sich ein Widerstand R2 ergibt zu R2 = 20V / 2 mA = 10 kΩ

Basiswiderstand R1: Nachdem durch den Kondensator C1 ja kein Gleichstrom fließt, wird der gesamte Basisstrom von T1 über den Widerstand mit 15 kΩ aufgebracht. Dieser ist gleich dem Emitterstrom durch die Stromverstärkung β und liegt bei einem β von 300 bei 3,3 μA. Wenn am Widerstand R1 nun maximal eine Gleichspannung von 0,05V abfallen soll, dann wäre der Widerstand R1 zu wählen mit: R1 = 0,05V / 3,3 μA = 15 kOhm.

Diese 0,05 V an R1 gehen übrigens auch als Gleichspannungs-Offset ein, wenn der Wert an T2 dies nicht kompensiert. Zur Kompensation wurde bei T2 ein gleich großer Widerstand gewählt. Der Offset klingt vernachlässigbar; jedoch würde er mit 46 verstärkt, wenn da nicht C2 die Gleichspannungs-Verstärkung auf 1 reduzieren würde.

R3 stellt die Basis-Emitter-Spannung von T3 ein. Da über den Transistor T1 1 mA fließen soll und an der Basis-Emitter-Diode von T3 etwa 0,65 V abfallen sollen, erscheint ein Widerstand um 680 Ohm als sinnvoll.

Transistor T3 ist neben der Eingangsdifferenzstufe mit T1 und T2 der Spannungsverstärker, der über die Dioden D1, D2 und D3 auf Widerstand R4 arbeitet. Die Dioden erzeugen die Basis-Emitter-Vorspannung für die Endstufentransistoren T4, T5, T6 und T7 einstellt. Sein Partner R4 bestimmt den Kollektor-Ruhestrom zu:
IC = (20V - 1,5 Diodenspannung)/R4. Wünschen wir 8 mA, so ergibt sich mit 1,5*Diodenspannung = 1V:
8 mA = (20V - 1V)/R4 und R4 = 19V/8 mA = 2,375 kΩ -> wir wählen 2,2 kΩ

Am oberen und unteren Ende der Dioden gehen dann die Endstufentransistoren ab. T4 und T5, die als Emitterfolger geschaltet sind, stellen für T6 und T7 den Basisstrom bereit, so dass am Ausgang bis zu 10 mA * Stromverstärkung von T5 * Stromverstärkung von T7 bereit stehen. Mit handelsüblichen Typen ergeben sich hier über 10A, die der Ausgang liefern kann.

Die Emitterwiderstände der Treiber (R5) stellen für T4 und T5 den Ruhestrom ein. Dieser liegt um 5 mA (= (2,2 V - 2x 0,6 V)/(2*100 Ω) = 5 mA

Der Ruhestrom an R8 ist sehr stark von der Temperatur der Dioden und der 4 Endstufentransistoren abhängig, da mit steigender Temperatur die Basis-Emitter-Spannung für einen vorgegebenen Strom abnimmt. Mit steigender Temperatur wird somit immer mehr Strom durch die Emitterwiderstände fließen.

Was macht C3? - Er bestimmt die frequenzabhängige Spannungsverstärkung von Transistor T3.

die frequenzabhängige Spannungsverstärkung

Wie groß ist die Spannungs-Verstärkung des Verstärkers ohne Gegenkopplung?

Sie setzt sich im wesentlichen aus dem Produkt der Spannungsverstärkungen
a) Va der Differenzstufe mit T1 und T2
  sie ist 0,67V / 2*UT (siehe Differenzstufe) und liegt somit bei 12.
b) Vb der Spannungsverstärkungsstufe mit T3, deren Verstärkung nachfolgend berechnet wird.
c) Vc der Endstufe mit T4, T5, T6 und T7 (sie ist etwa 1 und spielt somit keine Rolle)
zusammen.

T3 kann hier als invertierender Verstärker (Fall b) angesehen werden, dessen Verstärkung durch den Quotienten der Impedanzen von C3 und R3 (da dies der Ausgangswiderstand der vorangehenden Stufe ist) begrenzt ist.

Die Impedanz (der Scheinwiderstand) Z von C3 ist Z = 1/ωC3
und mit Kreisfrequenz ω = 2 * π * f (f ist die Frequenz)
ist Z = 1 / (2*π*f*C3)

Seine Verstärkung Vb = Z / R3 ist also 1 / (2*π*f*C3*R3),
solange die Verstärkung ohne Gegenkopplung V = U(R4)/UT = 800 deutlich größer ist.

Somit ist die Verstärkung VU ohne Gegenkopplung:

VU = Va * Vb * Vc

VU = 12 * 1/(2*π*f*C3*R3) * 1

VU = 12 * 1/(2*π*f*100pF*680 Ω)

und für ein paar Frequenzen der Gesamtverstärkungsfaktor VU ausgerechnet:

Freq. Va Vb aber maximal **) VU = Va*Vb
10 Hz 12 234170 770 9240
100 Hz 12 23417 770 9240
1000 Hz 12 2341,7 770 9240
10 kHz 12 234,17 770 2808
100 kHz 12 234,17 770 281
1 MHz 12 23,417 770 28
10 MHz 12 2,3417 770 2,8
**) Der Verstärkungsfaktor des Transistors T3 ist beschränkt durch die Regel
für Emitterstufen: V = U(an Kollektorwiderstand R4) / UT = 770 fach für UT=26 mV

Frequenzgang, Phasenstabilität

Im Leerlauf (ohne Gegenkopplung) verstärkt der Endverstärker wie oben in der Tabelle angegeben. Mit 15kΩ und 330Ω- Gegenkopplungswiderstand, wird die Verstärkung auf 46 begrenzt.

Das führt dazu, dass die Verstärkung um 46 bis zur Frequenz von ca. 600 kHz sein wird; hier ist die Schleifenverstärkung 1, da die Soll-Verstärkung (4-fach) und die Verstärkung ohne Gegenkopplung hier gleich groß sind.

Nun ist zu überlegen, wo in unseren Verstärker die Tiefpässe sind.
a) die Endstufe mit T4, T5, T6 und T7
b) die Differenzstufe mit T1 und T2
c) die Spannungsverstärkungsstufe mit T3.

Der am tiefsten einsetzende Tiefpass sollte so zu tieferen Frequenzen verschoben werden, das haben wir mit T3 und Kondensator C3 bereits getan.

Die beiden anderen Stufen sollten bis 500 kHz keine nennenswerte Phasendrehung aufweisen. D.h. ihr Frequenzgang sollte also weiter nach oben reichen, was mit Standard-Transistoren in dieser Schaltung gegeben ist, wenn keine kapazitiven Lasten anliegen.

 
zurück zur Übersicht