PA Kit D2544-K12

Technical data:
- Nominal power handling: 400 Watt
- Impedance: 8 Ohm
- Nominal SPL (2.83V/1m): 98 dB
- Maximum SPL (peak/1m) 127 dB
- Frequency range (-8dB): 60-22.000kHz
- Crossover frequency 2200 Hz
- Size (HxWxD): 63 x 35 x 24 cm
D2544-K12

This speaker was designed for small cinemas. Applications: High-end PA. This speaker is suitable for classical music. The original cabinets (picture) were designed without the projecting side panels to ensure absolute top performance.

The Oberton D2544/16 tweeter is being used in conjunction with the RCF Horn H100.

Bass is supplied by the Eminence Kappa 12, showing a beautifully flat frequency response.

Frequency response

The following frequency response was measured with a calibrated Clio microphone, without any projecting edges. The cabinet was not damped (for PA speakers that's common). For hi-fi we recommend some napped foam for the rear wall and 1 pack of damping fleece.
  Frequenzgang
The crossover is exceptional: both drivers are in phase (the intersection of both lines is approx. 6 dB below the total frequency curve).

Picture below: Below 30 degree angle (horizontal deviation) from the axis, the size of the drivers becomes noticeable. The 12.' bass driver that works up to 2,2 kHz, slops considerably according to the law of physics as does the tweeter at the highest frequencies.
  Frequenzgang

Important for excellent sound is the quick excursion of drivers shown in the following diagram as rapidly declining volume toward the front. This has been achieved quite comprehensively.
  Wasserfall

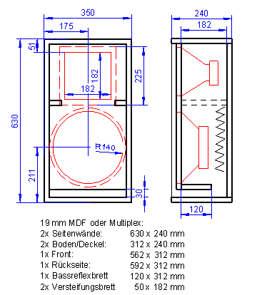
The cabinet


The cabinet consists of 19 mm boards; it's easy to build since all panels are fitted in a right angle. The bass reflex port may be countersunk slightly.

The crossover components should be mounted on a wooden board and then fitted in empty space. The terminal should be mounted on the rear panel of the cabinet.

For hi-fi we recommend to fit 1/4 napped foam to the rear panel as well as 1 1/2 bags of damping fleece per speaker. Please bear in mind that the damping fleece material reduces the power handling to 300 Watts (heat dissipation!).

The crossover

The crossover consists of high quality components (foil capacitors, air core coils and one i-point core coil.

Our kit

The D2544-K12 Kit consists of:
- 1 x RCF Horn H100
- with D2544/16 Ohm driver
- 1 Eminence Kappa 12 bass driver
- 1 x Speakon NL4-MPR connector
- 1/2 sealing tape
- 25 x 30 x N25 cm napped foam N25
  (for the rear wall)
- 8 x Allen screws 5 x 30 mm
- 12 x PAN screws 3.5 x 17 mm
- 2 metre cable 2 x 1.5 mm2
- building instruction

  and for the crossover,
  to be mounted on wood:
- protection element for tweeter
- high power handling i-point core coil
- air core coil, 1.0 mm
- foil capacitors
  most of them MKP
- 3 resistors

Price per unit without cabinet and wood:   - not available

Hint: upon request we also supply - instead of Speakon connector - a terminal with 2 gold plated brass binding posts at no additional charge.

If you prefer to mount the crossover components on a Cu PCB instead on wood:
Price for PCB 205 x 140 mm EUR 11,80 excl. VAT: € 9.92 / $ 11.40

Home