aus zwei macht eins:   Alcone Laplace XT

Da die meisten unserer Kunden kein Meßsystem haben, aber doch selbst entwickeln wollen, suchen wir immer wieder nach Möglichkeiten, wie man ohne umfassendes Meßwerkzeug eine hervorragende Box erstellt.

Nachfolgend wollen wir zeigen, wie aus einer Pascal die Laplace XT entwickelt wird; das Ziel ist also aus einem Bausatz mit zwei Tieftönern, die paralllel geschaltet sind, einen Bausatz mit einem Tieftöner zu machen.
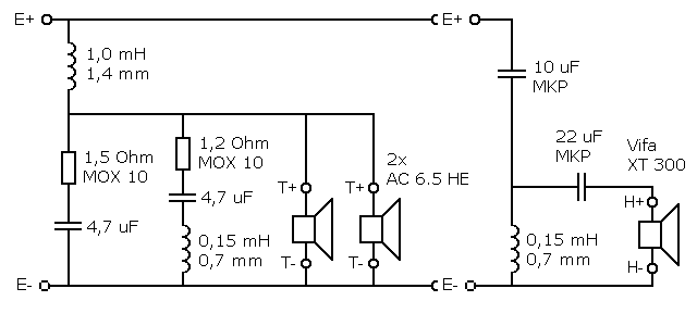
Hier der Ausgangspunkt: die Frequenzweiche der Pascal: Pascal FW

Änderungen im Tieftonzweig der Weiche

Da die Weichenbauteile im Tieftonzweig nun nicht 2 Lautsprecher mit 8 parallel 8 Ohm = 4 Ohm, sondern 8 Ohm ansteuern, sind alle Impedanzen im Tieftonzweig zu verdoppeln, damit die Frequenzweiche bei genau der gleichen Frequenz trennt. Sie Spulen sind also vom Wert zu verdoppeln, die Kondensatoren zu halbieren, Widerstände zu verdoppeln.

Änderungen im Hochtonzweig der Weiche

Die Pascal hat zwei Tieftöner. Aus der Theorie wissen wir, dass ein Tieftöner 3 dB weniger Wirkungsgrad im unteren Frequenzbereich hat (siehe Interview mit Dr. Joseph D'Appolito).

Also verlieren wir, wenn wir nur einen Tieftöner verwenden, 3 dB Wirkungsgrad. Da zuvor zwei Tieftöner parallel geschaltet waren, haben wir nun auch die halbe Leistung an vorgegebener Spannung, z.B.: 2,83 V (wieder 3 dB weniger). Der Schalldruck auf 2,83 V bezogen nimmt also 6 dB ab. Somit muss der Hochtöner ebenfalls 6 dB weniger Schalldruck an beispielsweise 2,83 V abgeben.

Umgekehrter d'Appolito-Rechner

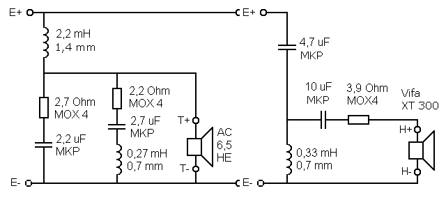
Wenn man nun den umgekehrter d'Appolito-Rechner anwendet, und die Bauteilwerte rundet (z.B.: Tieftonspule war 1 mH x 2 = 2 mH, nächster Wert ist 2,2 mH) kommt man zu nachfolgender Frequenzweiche: Laplace 4- FW

Vorab:
Diese Schaltung hat einen Nachteil: Da es ein 4 Ohm Hochtöner ist, der auf 4 Ohm Gesamtimpedanz ausgerichtet war, hat er nun nach Umrechnung auch 4 Ohm Anschlussimpedanz. Dies ist prinzipiell zwar kein Fehler, aber verhindert, dass man einen Verstärker verwendet, der nur 8 Ohm treiben kann. Wir haben überlegt, ob wir den umgekehrten d'Appolitorechner so auslegen sollen, dass er die Impedanz erhöht. Dies hätte jedoch zwei Nachteile:
a) nach Anwendung der Rechners vorwärts und dann rückwärts kommt man nicht zum Ausgangspunkt.
b) wenn man bereits einen auf 8 Ohm abgestimmten Hochtöner hat, käme man so zu 16 Ohm.
 
Impedanz
Bild links:
Impedanz-
verlauf der
berechneten
Frequenzweiche.
 
Frequenzgang
Bild links:
Frequenz-
gang der
berechneten
Frequenzweiche.
 

Wie gut muss die Frequenzweiche auf die Lautsprecher angepasst sein?

Wenn Sie eine Standardfrequenzweiche kaufen und daran die Lautsprecher anschließen, erhalten Sie einen absolut ungünstigen Frequenzgang der durchaus um +5 dB und - 10 dB von der Ideallinie abweicht, da eine Standardfrequenzweiche nicht die Eigenschaften der Lautsprecherchassis berücksichtigt.

Wenn Sie jedoch von einem fertigen Bauplan ausgehen und hier einen Tieftöner herausrechnen (wie hier gezeigt), ist die Wahrscheinlichkeit ein brauchbares Ergebnis zu erzielen, viel besser.

Weitere Abrundungen für Laplace XT

Nun wollen wir noch die Impedanz im Hochtonzweig anpassen, damit Sie auch Verstärker verwenden können, die nur 8 Ohm treiben: Frequenzgang
Dazu wurde im Hochtonzweig die Impedanz des Hochtöners mit Widerstandsnetzwerk verdoppelt (jetzt liegt sie bei 8 Ohm) und passend dazu müssen alle Impedanzen im Hochtonzweig verdoppelt werden, wozu die Kondensatoren halbiert und die Spulenwerte verdoppelt wurden.
 
Impedanz
Bild links:
Impedanz-
verlauf der
berechneten
Frequenzweiche.
 
Frequenzgang
Bild links:
Frequenz-
gang der
berechneten
Frequenzweiche.
 
Frequenzgang
Bild links:
Frequenz-
gang unter
verschiedenen
Winkeln.
 
Wasserfallspektrum Bild links:
Wasserfallspektrum der Box.
Die engen Wellen deuten darauf
hin, dass im Messraum ein
reflektierender Gegenstand stand.

Das Wasserfallspektrum ist sehr
schön; die Box hat außer einer
leichten Resonanz bei 2,5 kHz
praktisch keine anderen Resonanzen.
Das ist ein sehr gutes Ergebnis!
 
Alcone Laplace XT
 

Scan Speak Ringstrahler R2604/832000

Die Laplace XT zeichnet sich durch folgende Eigenschaften aus:

  • gute Bassabstimmung für normale Aufstellung
  • dabei einen sauberen Bass
  • sehr ausgewogenes Klangbild und eine gute Räumlichkeit
  • hohe Transparenz
  • trockener, angenehmer Bass
  • schönes Design und schlanke Form (Höhe x Breite x Tiefe): 100 x 23 x 28 cm

Alcone AC 6.5 HE

Technische Daten:

  • Frequenzgang: 32-30 000 Hz (-8dB)
  • Trennfrequenz: 2400 Hz
  • mittlerer Kennschalldruck: 86 dB (2,83V/1m)
  • Impedanz: 8 Ohm

Der Bausatz Alcone Laplace XT enthält:

  • 1 x Hochtöner VIFA XT-300 KS/4, 4 Ohm
  • 1 x Mitteltieftöner Alcone AC 6.5, 8 Ohm
  • 1 x Bi-Wiring-Terminal mit vergoldeten Messingklemmen
  • 2 x Beutel Dämpfungsmaterial (1/2 für oben)
  • 1 x Frequenzweiche - als Bausatz, siehe unten
  • 14 x Schrauben 4 x 20 mm
  • Schaumstoffdichtstreifen für die Lautsprecher
  • 3m Kabel für die Innenverkabelung 2x1,5 mm2)
  • 1 x Bassreflexrohr HP 70
  • Beschreibung und Bauplan

Die Frequenzweiche besteht aus:
  • Luftspule 2,2 mH / 1,4 mm
  • Luftspule 0,27 mH / 0,7 mm
  • Luftspule 0,33 mH / 0,7 mm
  • Mundorf MKP-Kondensator 4,7 uF / 400 V
  • Mundorf MKP-Kondensator 10 uF / 400 V
  • MKP-Kondensator 2,2 uF / 400 V
  • MKP-Kondensator 2,7 uF / 400 V
  • MOX4-Widerstand, 2,2 Ohm (rot-rot-gold)
  • MOX4-Widerstand, 2,7 Ohm (rot-violett-gold)
  • MOX4-Widerstand, 3,9 Ohm (orange-weiss-gold)
Frequenzgang Laplace

Bild links:
der Frequenzgang
Er ist sehr linear.

rot: der Hochtöner
grün: der Tieftöner
Frequenzgang Laplace

Bild links:
Abstrahlverhalten
unter verschiedenen
horizontalen Winkeln.
Wasserfallspektrum Laplace

Bild links:
das Wasserfallspektrum.
die vorderen Linien
sollten deutlich unter
den hinteren liegen
und keine mächtigen
Berge aufweisen.
Preis pro Box ohne Gehäuse - nicht lieferbar

Kennenlern-Aktionspreis bis 31.12.2004
Preis pro Box ohne Gehäuse - nicht lieferbar

Wenn Sie die Frequenzweiche lieber auf eine Universal-Leiterplatte statt auf Holz aufbauen wollen:
Leiterplatte, unverzinnt, Best.-Nr. I-8805017,     Preis   EUR 4,70 ohne MwSt: € 3.95 / $ 4.58

zum Bauplan der Box

Heimkino

Alcone Laplace XT eignet sich auch für Heimkinosysteme; hier wird sie von vielen Kunden mit Alcone Dirac XT als Center kombiniert - manche Kunden mit Leinwand verwenden auch eine symmetrisch aufgebaute Pascal (Bauplan auf Anfrage) als Center.

Als Rear wird oft die günstigere Midi oder Mini 65 eingesetzt

Der Subwoofer: Hier eignet sich ein leistungsfähiger Subwoofer, wie der Alcone Sub 12 (nicht mehr lieferbar).