Lautsprecherdesign am Beispiel Lagrange 98

Nachfolgend wollen wir ein wenig erklären, wie man ohne Kompromisse absolute HighEnd Boxen entwickelt. Der Schwerpunkt der Erklärungen liegt auf der Frequenzweiche, die das Zusammenspiel der Lautsprecher maßgeblich beeinflusst. Eine allgemeinere Erklärung finden Sie auf unserer Toolsseiten: Boxenentwicklung

Allgemeines

Eine hervorragende Box lebt von:

Frequenzweichendesign

Die Frequenzweiche hat die Aufgabe:
a) den Schall frequenzabhängig auf die Lautsprecher zu verteilen
b) die Fehler der Lautsprecher dabei auszugleichen
c) den Übergang zwischen den Lautsprechern möglichst unauffällig zu gestalten

zu a) Schallverteilung
Ein Lautsprecher reproduziert den Schall in einem kleinen Frequenzbereich meist sehr viel besser, als über 3 Zehnerpotenzen (20-20 000 Hz). Daher teilt man den Frequenzbereich meist in 2 oder 3 Bereiche auf.

zu b) Fehler der Lautsprecher ausgleichen
Ein Lautsprecher ist kein ideales Gebilde - wie es nahe zu ein Verstärker ist. Dieser hat im Wiedergabebereich etwa 1-5% Amplitudenschwankungen, 0,01% nichtlineare Verzerrungen. Ein Lautsprecher hat 20-100% Amplitudenschwankungen, 1 % nichtlineare Verzerrungen; der Lautsprecher zeigt somit etwa 10-100 mal mehr messbare Fehler. Diese sollte die Weiche, soweit dies möglich ist (z.B.: Amplitudenschwankungen), ausgleichen.

Dazu ist jedes einzelne Bauteil der Weiche optimal für den Lautsprecher zu dimensionieren. Frequenzweichen nach Bessel, Butterworth, Linkwitz Riley sind nur erste Ansätze um ein erstes Weichendesign zu erhalten. Dann sind alle Bauelemente an die Gegebenheiten der Box und der Lautsprecher anzupassen (siehe auch Gespräch mit Dr. Joseph D'Appolito)

Dazu ist jedes einzelne Bauteil der Weiche optimal für den Lautsprecher zu dimensionieren. Frequenzweichen nach Bessel, Butterworth, Linkwitz Riley sind nur erste Ansätze um ein erstes Weichendesign zu erhalten. Dann sind alle Bauelemente an die Gegebenheiten der Box und der Lautsprecher anzupassen.

zu c) den Übergang zwischen den Lautsprechern unauffällig zu gestalten

Die Übergang zwischen zwei Lautsprechern soll so sein, dass die Lautstärke über die Frequenzen gleich bleibt, die Phase beider Lautsprecher im Übergang zueinander passt (was man am Übergangspunkt daran erkennt, dass die Einzelpegel 6 dB unter dem Gesamtpegel liegen).

Durch die Weiche selbst (mit 6, 12 oder 18 dB Steilheit) hat man dabei eine frequenzabhängige zusätzliche Phasendrehung. Manche Menschen nehmen diese als störend wahr: Für sie zerfällt damit das Klangbild. Somit ist anzustreben die Weiche mit möglichst geringer Phasendrehung zu entwerfen.
 


Weichentyp
vereinfachtes
Schaltbild

(mit Lautsprecher als reinem Wirkwiderstand)
Phase
minimal

(tiefe Frequenz)
Phase
maximal

(hohe Frequenz)
Erklärung
 
 

Wie zu sehen ist, nimmt die Phase mit steigender Frequenz (im mathematischen Sinn) zu.

Die Phasenverschiebung an sich wäre unproblematisch, wenn sie proportional zur Frequenz wäre, denn das ist genauso, als stünde der Lautsprecher einfach ein paar cm weiter hinten im Raum.

Genau das macht aber eine Frequenzweiche nicht. Über große Strecken ändert sie ihre Phase überhaupt nicht, dann im Trennbereich ändert sich die Phase wie links beschreiben: Je steiler die Weiche, umso größer ist die Änderung.

Dadurch werden unterschiedliche Frequenzanteile in einem Klang unterschiedlich verzögert. Der Klang zerfällt, was jedoch die meisten menschlichen Ohren kaum wahrnehmen. Nach unserer Erfahrung hören dies nur etwa 20% der Menschen.

6 dB Hochpass-Weiche 6 dB Hochpass -90 ° 0 °
6 dB Tiefpass-Weiche 6 dB Tiefpass 0 ° 90 °
12 dB Hochpass-Weiche 12 dB Hochpass -180 ° 0 °
12 dB Tiefpass-Weiche 12 dB Tiefpass 0 ° 180 °
18 dB Hochpass-Weiche 18 dB Hochpass -270 ° 0 °
18 dB Tiefpass-Weiche 18 dB Tiefpass 0 ° 270 °

Will man nun diesen Effekt minimieren, so ist eine Weiche mit aufeinander abgestimmten LCR-Kreisen anwendbar. Ein LCR-Kreis mit kleinem R würde eine große Phasendrehung mit sich bringen. Durch die Kombination mehrerer Kreise wird deren Wirkung sehr viel sanfter.

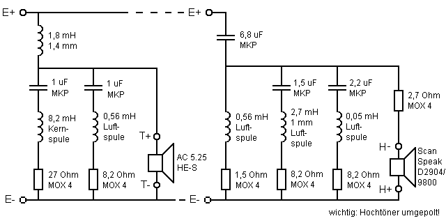
Die Lagranche 98-Weiche ist mit den Lautsprechern, die ja auch eine Spule enthalten, so sanft trennend wie eine 6 dB-Weiche:
  Alcone Lagrange 98

Die vielen Bauelemente täuschen also etwas ganz anderes vor: man denkt: hier wird aber stark eingegriffen; das Gegenteil ist der Fall!

Die Frequenzweichenbauteile bilden zusammen mit den Lautsprechern ein System, das nur sehr sanft den Frequenzgang beeinflusst. Somit werden Impulsivität, Dynamik und Originaltreue der Musik sehr gut reproduziert.

Man kann unter Berücksichtigung der Lautsprecher kaum eine weniger eingreifende Weiche erstellen: Diese Weiche erzielt auch eine absolut gleich laufende Phase des Hoch- und des Tieftöners über viele Oktaven um den Übergangsbereich.

Auf Ihren Wunsch vertiefen wir diese Theorie gerne.

zurück zur Beschreibung Lagrange 98