Komplexe Rechnung
und einfache Filter

Dr.-Ing. Gottlieb Strassacker
früher Dozent für Elektrotechnik an der
Universität Karlsruhe

1. Allgemeine Grundlagen

Ein in x- und y-Richtung  aufgetragenes Wertepaaar einer ebenen Darstellung kann in einer sogenannten komplexen Ebene gemeinsam d.h. durch einen Ausdruck angegeben werden. Allgemein: z = a+jb; oder für ein spezielles Zahlenpaar: z = 3+j4. Dabei gibt der Faktor j an, dass der damit multiplizierte Wert 4 ein y-Wert ist, also in y-Richtung in eine Zahlenebene einzutragen ist, während die Zahl 3 der x-Wert ist. Die komplexen Größen, die einen Real- und einen Imaginärteil beinhalten, unterstreichen wir, um ihre Komplexität zu kennzeichnen: z, Z, Y.

Beispiel für Widerstände: Z = R+jX. Dabei ist Z ein sogenannter komplexer Widerstand, der aus dem ohmschen Anteil R und dem Blindwiderstand X besteht. Genauer: X ist der induktive Blindwiderstandsanteil X = ωL einer verlustbehafteten Spule oder der ganze Blindwiderstand einer als verlustlos angenommenen Spule.Wäre X negativ, so würde es sich um einen (verlustbehafteten) Kondensator handeln mit dem kapazitiven Blindwiderstand X = -1/(ωC). Anders angeschrieben ist der verlustbehaftete komplexe Kondensatorwiderstand: Z = R +1/(jωC). Erweitert man aber dieses 1/(jωC) mit j, so wird in dessen Nenner j2 = -1 und der Zähler erhält ein j:

(1)                                              j / (j · j · ωC) = +j / -ωC = -j / ωC

Einfaches Beispiel: Addition von zwei in Serie geschalteten komplexen Widerständen. Wir verstehen unter einem komplexen Widerstand, wie gerade beschrieben wurde, einen Widerstand, der sowohl einen ohmschen Anteil (z.B.Verlust- oder Wärmewiderstand) R als auch einen Induktivitätsanteil XL = ωL und /oder einen Kapazitätsanteil XC = -1/ωC enthält. Dann gilt für deren Serienschaltung:

(2)                                                     Z1  = R1 + j X1  und  Z2 = R2 + j X2  

und deren Summe ist: 

(3)                                            Zges = (R1 + R2) + j (X1 + X2).

Werden dagegen zwei Widerstände parallel geschaltet, so sind deren komplexe Leitwerte Y zu addieren. Diese muss man sich meist aus den komplexen Widerständen durch Invertieren verschaffen. Einen komplexen Leitwert erhält man demnach aus dessen komplexem Widerstand wie folgt:

(4)                                  Y = 1/ Z = 1/(R + jX) = (R - j X) / (R2 + X2).

Wir haben dabei den Bruch erweitert, d.h. Zähler und Nenner wurden mit R-jX  multipliziert. Dadurch wurde der Nenner reell d.h. frei von der imaginären Einheit j. Um die Summe zweier Leitwerte zu erhalten, müssen wir nun den Index 1 für den komplexen Widerstand 1 bzw. den Index 2 für den komplexen Widerstand 2 einsetzen und reelle Größen zueinander und imaginäre Größen zueinander addieren. Dann erhalten deren Summe gemäß obigen Ergebnisses zu: 

(5)                       Yges = Y1 + Y2 = (R1 - jX1) / (R12 + X12) + (R2 - jX2) / (R22 + X22).

Die zwei Brüche können nicht ohne Weiteres zu einem einzigen Bruch zusammengefasst werden, da ihre Nenner im Allgemeinen verschieden sein werden. Das ändert sich, wenn man ein Zahlenbeispiel macht. Wir nehmen an, es seien:

(6)                        Z1 = 3 + j4 Ω      und         Z2 = 6 + j8 Ω.

Dann erhält man durch Parallelschalten dieser beiden komplexen Widerstände nach der vorangehenden Formel mit S = Siemens als gängiger Einheit für 1/Ohm

(7)                   Yges = (3-j4) / (9+16) S + (6-j8) / (36+64) S = (3-j4) / 5 S + (6-j8) / 10 S.

Der erste Bruch ist mit dem Faktor 2 zu erweitern, dann können die Brüche mit gleichen Nennern zu dem resultierenden komplexen Leitwert addiert werden:

(8)                   Yges = {(6-j8) / 10 + (6-j8) / 10} S = (12-j16) / 10 S = 1,2 - j 1,6 S

Die Rechnung ging hier besonders glatt, da die Zahlen 3, 4 und 5 ebenso wie 6, 8 und 10 sogenannte pythagoreische Zahlen sind: 32+42=52 ebenso 62+82=102.  Man erkennt schon jetzt, dass die Berechnung mehrerer, teils seriell, teils parallel geschalteter Widerstände rein rechentechnisch etwas aufwendig werden kann.

Gelegentlich benötigt man den Moivreschen Satz. Er erklärt näher, was j eigentlich bedeutet und er wird auch immer dann benötigt, wenn man auch die Momentanwerte von Strom und Spannung nach Betrag und Phase berechnen will. Er lautet:

(9)                  e j π/2 = cos(π/2) + j sin(π/2) = 0 + j 1 = j.

Wir haben bisher stillschweigend akzeptiert, dass j die y-Richtung vorschreibt. Tatsächlich aber ist j  mehr. Wir wenden den Moivreschen Satz an und zwar jetzt mit ωt als variablem Argument:

(10)                                  e jωt = cos(ω t) + j sin(ω t)

In der gerade angegebenen Form des Moivreschen Satzes ist außer der Zeitvariablen t, die Kreisfrequenz  ω = 2 π f,   mit π = 3,14159 und f der Frequenz in Hz, mit der gearbeitet wird.

Genauer betrachtet ist ejωt ein Punkt auf einem Einheitskreis (Radius gleich 1), der mit zunehmendem Argument ωt im Gegenuhrzeigersinn, d.h. mathematisch positiv, auf dem Einheitskreis rotiert. Bei j = ejπ/2 liegt dieser Punkt, wie wir aus Gleichung (9) sehen, auf der imaginären Achse mit den Werten y = 1 und x = 0.

Multipliziert man den Moivreschen Satz beidseitig z.B. mit einer Spannungsamplitude û, dann erhält man:

(11)                                 û ej ω t = û cos(ω t) + j û sin(ω t).      

Nun steht links des Gleichheitszeichens ein Ausdruck, der die ganze komplexe Ebene durch Polarkoordinaten abdecken kann, denn û ist der vom Nullpunkt aus gemessene Betrag und ej ω t kann jeden Winkel annehmen. Polarkoordinaten beinhalten also in der Elektrotechnik ejωt multipliziert mit einer Länge, z.B. wie hier mit û und sind demnach ein ruhender oder ein rotierender Zeiger. Rechts des Gleichheitszeichens von Gl.(11) steht ein Ausdruck, der die komplexe Ebene durch kartesischen Koordinaten mittels Real- und Imaginärteil abdeckt.

2a. Komplexe Spannungsteiler

Für uns ist es besonders interessant, einfache Filter aus Widerständen, Spulen und Kondensatoren oder auch nur aus Spulen und Kondensatoren zu berechnen. Wir nutzen dazu zuerst die Kenntnis des Spannungsteilers aus. Wir wollen systematisch und langsam Stück für Stück erarbeiten, um verständlich zu sein.

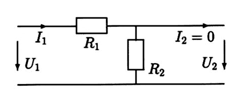
Als einfachstes der einfachen Beispiele verwenden wir einen Spannungsteiler, bestehend aus zwei Wirkwiderständen, wobei wir annehmen, dass die Folgeschaltung hochohmig sei, so dass der Ausgangsstrom I2=0 wird. Hierbei können wir z.B. die Effektivwerte U1 und sinusförmiger Wechselspannung verwenden. (Ein Effektivwert ist   bei sinusförmigen Vorgängen gleich dessen Amplitude dividiert durch Wurzel aus 2, also z.B. bei sinusförmigem Strom I = 0,707 î  oder U = 0,707 û bei sinusförmiger Spannung).:

(12)                      U2/U1 = I1R2 /( I1R1+ I1R2)  = R2 /(R1+ R2)

Schaltbild:

Jetzt berechnen wir mit komplexen Amplituden (=Amplituden harmonischer Größen, die komplex sein können) den einfachsten Tiefpass, bestehend aus Wirkwiderstand und Kondensator, wieder als Spannungsteiler unter der Voraussetzung I2 = 0. Wir schreiben die Spannungen als komplexe Amplituden der Momentanwerte an:

(13)                           û2 / û1 =  jXc / (R+jXc)  =  1/ jωC / ( R+ 1/ jωC)     

mit jωC  erweitert und Schaltbild:

 

(13a)                          û2 / û1 =  1 / (jωCR +1).

Davon interessiert vor allem der Betrag, er ist die Wurzel aus Realteil im Quadrat plus Imaginärteil im Quadrat. In Gl.(13a) ist der Realteil gleich 1, der Imaginärteil ist  ωCR:

(14)                           | û2 / û1 |  =  1 / (1+ (ωCR)2)1/2 .

Die nächste Steigerung ist ein Tiefpass, der im Längszweig eine Spule, im Querzweig einen Kondensator enthält. Beide Bauelemente seien näherungsweise verlustfrei, so dass wir keine Verlustwiderstände berücksichtigen müssen. Der komplexe Spannungsteiler lautet hierfür:

(15)                            û2 / û1 =  1/jωC / (1/jωC + jωL)  =  1 / (1- ω2LC)   reell

Schaltbild:

 

Da wir nur die Blindwiderstände jωL und 1/jωC verwendet haben, hebt sich, wie Gl.(15) zeigt, das j heraus und wir haben ein reelles Ergebnis. Man kann dies noch vereinfachen, wenn man die Grenzfrequenz dieses Tiefpasses wie üblich definiert zu ωg2 = 1/LC:

(16)             ωg2 =  1/LC,      womit         û2 / û1 = U2 / U1  = 1 / (1- ω2/ωg2).

Da die Kreisfrequenz ω =2πf  ist und die Grenzkreisfrequenz ωg = 2πfg,  ist das Verhältnis ω2/ωg2  gleich (f /fg)2. Aus Gl.(16) wird damit:

(17)                                 U2 / U1  =  1 / (1-(f /fg)2).

Die Schreibweise oder Normierung mit (f /fg)2 hat den Vorteil, Dass eine dafür gezeichnete Grafik für die verschiedensten Grenzfrequenzen fg  gültig ist,  während die Schreibweise nach Gl.(15) für jedes Produkt LC eine neue Grafik zu zeichnen erfordert.

Wir können analog zu dem gerade beschriebenen Tiefpass auch den entsprechenden Hochpass berechnen. Dazu müssen in der Schaltung lediglich die Spule und Kondensator miteinander vertauscht werden. Und es gilt für den wieder angewandten komplexen Spannungsteiler:

(18)                 û2 / û1 = jωL / (jωL + 1/jωC) =  - ω2LC / ( 1- ω2LC)     reell

Schaltbild:

 

Das Ergebnis ist wieder reell wegen der angenommenen Verlustfreiheit. Mit der gerade schon verwendeten Normierung (f / fg)2 erhalten wir hier:

(18a)                     U2 / U1  =   - (f / fg)2  / (1- (f / fg)2)          

2b. Filter zwischen Endverstärkern und Lautsprechern

Verwenden wir die oben angegebenen Hoch- und Tiefpässe als Filter (Weichen) vor Lautsprechern, dann müssen wir von der Annahme I2 = 0 abrücken. Wir unterscheiden ja bei diesen Filtern zwischen Durchlass- und Sperrbereich. Und der komplexe oder angenähert reelle Widerstand eines Lautsprechers ist nicht hochohmig gegenüber dem ausgangsseitigen Widerstand eines Filters. Wir werden daher den Lautsprecherwiderstand nachfolgend durch RL berücksichtigen.

Wir schließen RL als Lautsprecher-Ersatzwiderstand zunächst an den Ausgang des Tiefpasses aus L und C an.

Schaltbild:

 

Rechnerisch müsen wir die Parallelschaltung von C mit RL berücksichtigen. Wir machen diese Rechnung zuerst mit den allgemein gehaltenen komplexen Widerständen Z1 im  Längs- und Z2* im Querzweig der vorangehenden Schaltung. Dabei bedeutet Z2*  die Parallelschaltung aus Z2 mit RL:

(19)                    û2 / û1 = Z2* / (Z2* + Z1) = Z2RL /(Z2 + RL ) / (Z2 RL /(Z2 + RL ) + Z1)

                  û2 / û1 = Z2 RL / (Z2 RL + Z1 RL + Z1Z2 )

Jetzt können wir speziell für den Tiefpass bei Berücksichtigung  des Lautsprecherwiderstandes RL für Z1= jωL und für  Z2 = 1/jωC  einsetzen und erhalten nach kurzer Umformung die komplexe Spannungsübertragungsfunktion: 

(20)                       û2 / û1 = RL / (RL - ω2LC RL + jωL)

Will man die zugehörige Übertragungsfunktion des Tiefpasses berechnen und aufzeichnen, so benötigt man den reellen Betrag von Gl.(20). Er ist, wie oben beschrieben wurde, die Quadratwurzel aus Realteil im Quadrat und Imaginärteil im Quadrat, hier im Nenner von Gl.(20):

(21)                       U2 / U1 = RL  / [ (RL - ω2LC RL)2 +(ωL)2]1/2

Entsprechend setzen wir beim Hochpass  unter Berücksichtigung des Lautsprecherwiderstandes RL für Z1= 1/ jωC und für  Z2 = jωL in Gl.(19) ein und erhalten die komplexe Spannungsüber-tragungsfunktion:

 (22)                      û2 / û1  = -ω2LC RL / (RL - ω2LC RL + jωL)

Schaltbild:

 

Auch von Gl.(22) muss der Betrag genommen werden, um die Übertragungskurve U2/U1 als Funktion der Frequenz auftragen zu können:

(23)                 U2/U1 = ω2LC RL  /  [ (RL - ω2LC RL)2 + (ωL)2] 1/2

Hat man bestimmte Werte für L, C und RL, so können diese in die Gln.(21) und (23) eingesetzt  und die Übertragungsfunktionen können zahlenmäßig berechnet und gezeichnet werden.