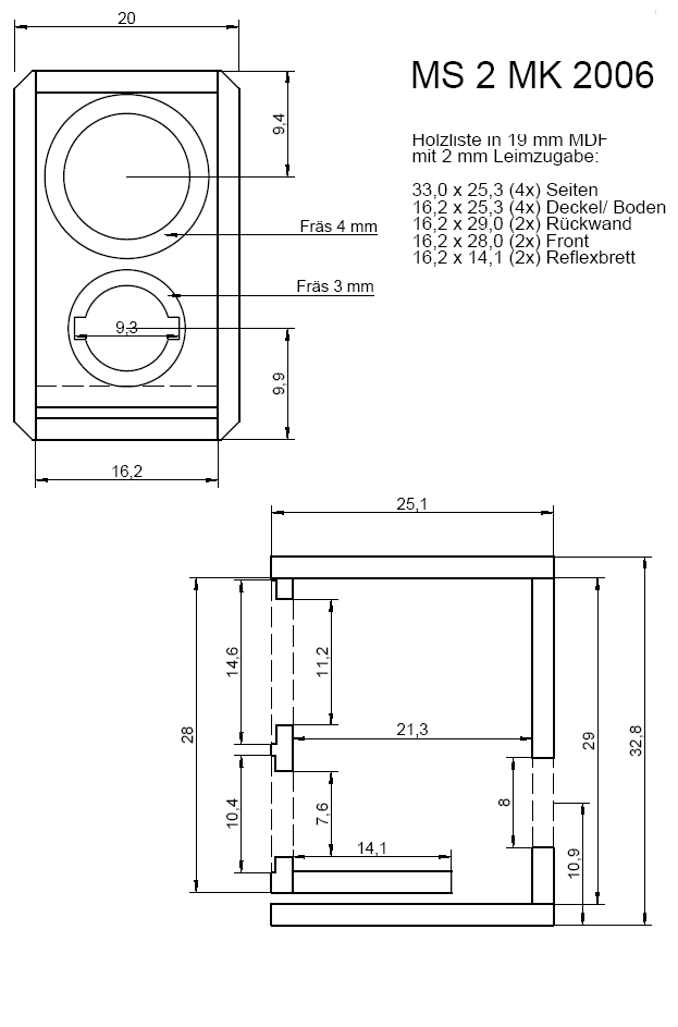
Bauplan zur MS2 MK2006 von Udo Wohlgemuth

MS2 MK 2006 von ADM

Der Frequenzweichenbauplan und die sonstigen Informationen werden zusammen mit dem Bausatz geliefert.

zur MS2 MK 2006